Community Tip - Did you get an answer that solved your problem? Please mark it as an Accepted Solution so others with the same problem can find the answer easily. X
Hi,
I am still using Creo 4.0 M050.
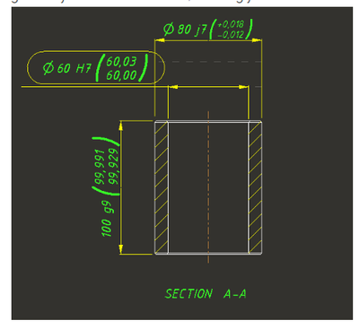
When making 2D drawings of a part, I usually specify a dimension tolerance as 'Plus-Minus' or as a 'Letter-Number' combination (like H6, G7, E8 ...).
Sometimes I feel it is more appropriate to specify both.
The nuisance is that Creo puts the Letter-Number combination (E8 in this case) always behind the Plus-Minus numbers.
So, like this:
But I would prefer that the E8 comes immediately behind the nominal dimension, and in front of the Plus-Minus. Like Diam 3E8 +0.05/+0.10.
I couldn't find a way. Is this possible in Creo 4.0 ?
Solved! Go to Solution.
Try the detailing settings discussed in thread ISO Standard Fits and Tolerances - where the dimensions show up more like what you want:
Doesn't the E8 specify a tolerance range? Why have 2 sets of tolerances for a dimension?
Yes indeed. E8 specifies a tolerance range, The plus-Minus would be a numerical representation of that same (E8) tolerance ( I realise this is wrong in my example above because I quickly put it together).
The reason for specifying 'the same' in 2 different ways is for reasons of clarity for the manufacturer. As said above, I normally don't do it, but in some cases it gives additional information.
When the tolerance is specified on a hole diameter, the manufacturer simply has to use an E8 reamer to make a hole, according to the specifications. He doesn't need to know the plus-Minus values.
You can also specify E8 tolerances on something else than a round hole. A linear dimension for example. In that case, a reamer can not be used. So the manufacturer has to look up the numerical tolerance values of 'E8'. To save the manufacturer some time, sometimes a designer also specifies the numerical tolerances, next to E8.
So, it is simply a matter of 'more clarity' for the manufacturer. But you are indeed representing the same information twice, but in 2 different forms.
Try the detailing settings discussed in thread ISO Standard Fits and Tolerances - where the dimensions show up more like what you want:
The method as described in your link, works for me in Creo 4.0 .
Thank you so much!
Kind regards
