Community Tip - If community subscription notifications are filling up your inbox you can set up a daily digest and get all your notifications in a single email. X
Hi,
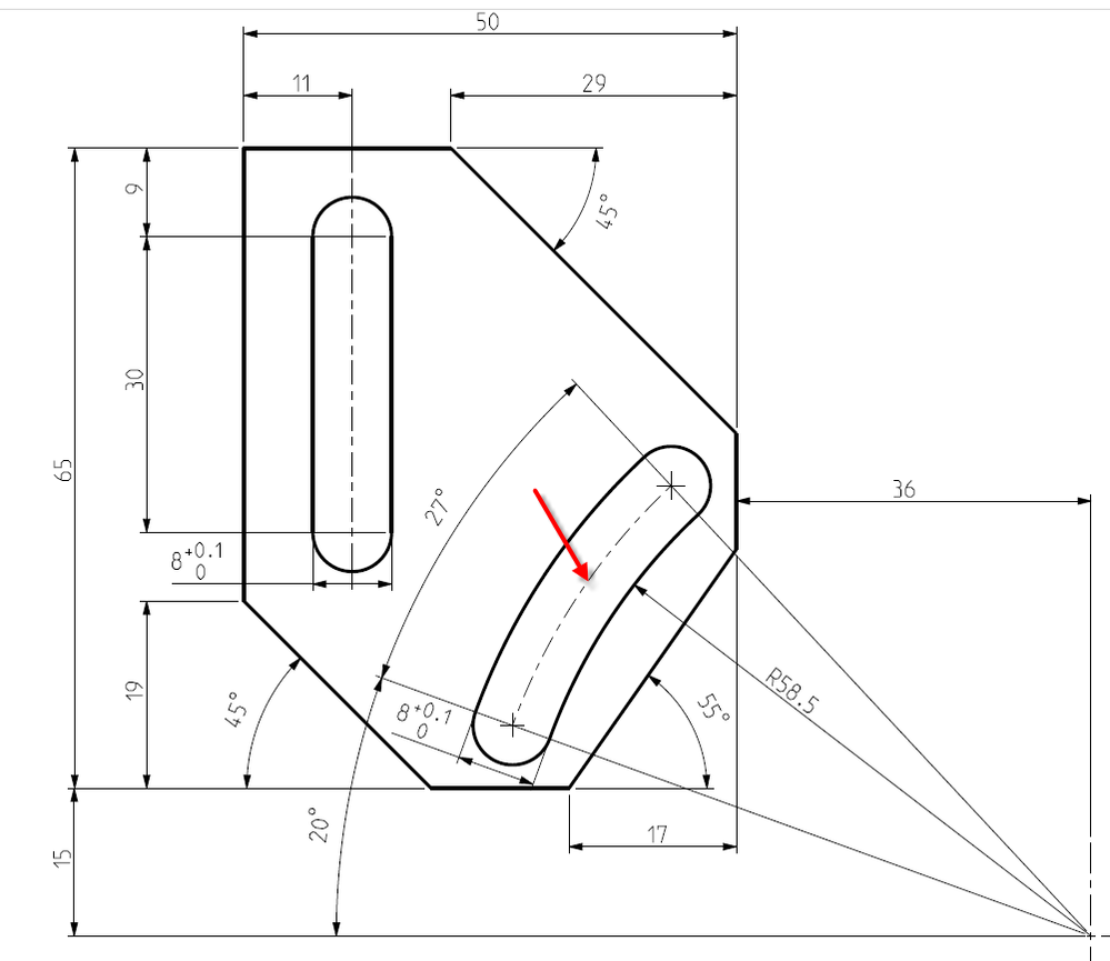
I have a part that has a groove in the shape of an arc (see screenshot below).
In the drawing of this part, I would like to draw an arc to show the 'middle line' of the groove. This arc should be in the 'centerline' linetype so --- . --- . --- .
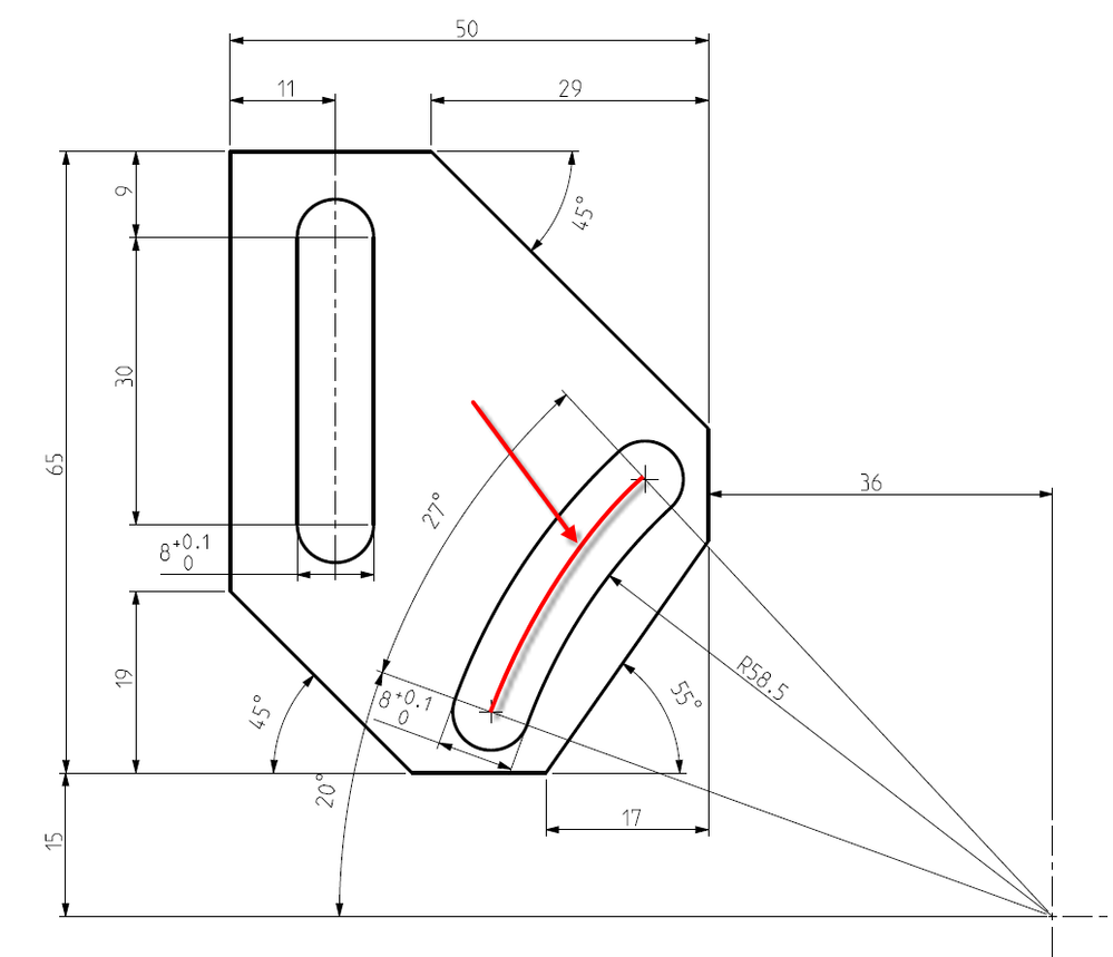
Similar to the centerline drawn in the 2nd straight groove.
In the drawing screenshot below, the red arc is what I want, drawn in centerline.
How can I best do this?
PS. I am using Creo 4.0 (on Windows 10).This is the arc shaped groove
Solved! Go to Solution.
I normally create a sketch in the model. After completing the sketch, you can select the arc, RMB and select properties from the menu. From here you can change the color and line font or select a predefined font and select Apply.
You are in the wrong forum.
PTC has two CAD systems: Creo+ and Creo Parametric and Creo Elements Direct.
Which makes it confusing.
More, for Creo Elements Direct:
- The 3D software name is Modeling, and
- The 2D software name is Drafting.
For Creo+ and Creo Parametric, use only this tab:
You should move your post to this community to have a better chance to get an answer.
To move your post, click on the three vertical dots on your initial post and click on "Notify Moderator".
Thank you so much!
I just notified a moderator.
Thanks a lot for your quick reaction! 👍
I normally create a sketch in the model. After completing the sketch, you can select the arc, RMB and select properties from the menu. From here you can change the color and line font or select a predefined font and select Apply.
Brilliant! That did the trick!
Yes, always more to learn. And often more than one way to skin a cat ... 😃
Thank you very much for your help!
