Community Tip - Visit the PTCooler (the community lounge) to get to know your fellow community members and check out some of Dale's Friday Humor posts! X
Solved! Go to Solution.
Finally I found the solution... With the option in the image attached set on "No" the hatch is now completely shown.
Hi @GF_10659403
Thank you for your question!
I’d like to recommend to bring more details and context to your initial inquiry.
Please add screenshot(s) to better understand what you are trying to do in your process.
Please refer to this guideline to make your questions more likely to receive a quick and useful answer.
This will increase your chances to receive meaningful help from other Community members.
Here's what a good question for Creo looks like.
Thank you for your participation and please let me know if you need further assistance!
Best regards,
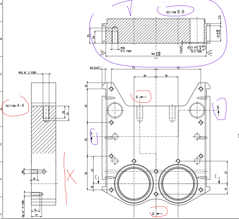
Hi Catalina, I forgot the image...
A you can see, the hatch on section B-B is complete, but something doesn't work on section A-A.
Try moving the bottom portion of the section line .01 to the right or the left. Sometimes when going through the center of cylinders Creo has an issue due to the splitting of the cylinder in half.
Thanks Dale, but nothing changed flipping back and forth on the other side.
Finally I found the solution... With the option in the image attached set on "No" the hatch is now completely shown.
