Community Tip - Did you get called away in the middle of writing a post? Don't worry you can find your unfinished post later in the Drafts section of your profile page. X
I want to change the thickness of the detail view line. @MartinHanak
.
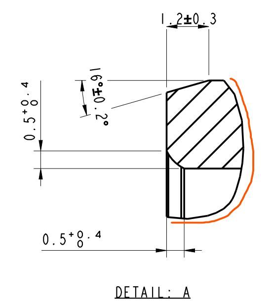
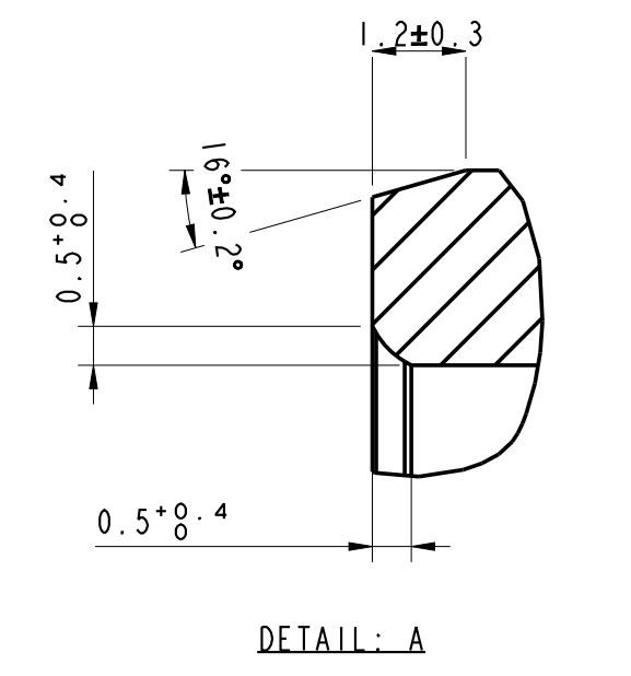
this the detailed view
.
and this is how it look in the pdf.
and I want to make the marked curve thinner than the drawing
Solved! Go to Solution.
@SP_10114936 wrote:
I want to change the thickness of the detail view line. @MartinHanak
.
this the detailed view
.
and this is how it look in the pdf.
and I want to make the marked curve thinner than the drawing
Hi,
in Partial view you cannot set color of view lines.
If detail option line_style_standard std_ansi is set then outline is assigned Geometry color and pen 1 is used to draw outline by default.
If detail option line_style_standard std_din is set then outline is assigned Letter color and pen 2 is used to draw outline by default.
You can hide view outline and sketch spline that replace it. The spline can be assigned any color.
See outline.mp4 video.
@SP_10114936 wrote:
I want to change the thickness of the detail view line. @MartinHanak
.
this the detailed view
.
and this is how it look in the pdf.
and I want to make the marked curve thinner than the drawing
Hi,
in Partial view you cannot set color of view lines.
If detail option line_style_standard std_ansi is set then outline is assigned Geometry color and pen 1 is used to draw outline by default.
If detail option line_style_standard std_din is set then outline is assigned Letter color and pen 2 is used to draw outline by default.
You can hide view outline and sketch spline that replace it. The spline can be assigned any color.
See outline.mp4 video.
In Acrobat open your pdf version of the drawing and then use ctrl+5 keys to alter the line weight display. This will make the visible lines thinner and should display correctly. This may resolve the issue you are having.
@tbraxton wrote:
In Acrobat open your pdf version of the drawing and then use ctrl+5 keys to alter the line weight display. This will make the visible lines thinner and should display correctly. This may resolve the issue you are having.
Hi,
what Acrobat version is able to alter the line weight ? Full version ? Acrobat Reader ?
All versions of Acrobat and Acrobat reader I have ever used support this. I am using Acrobat Reader XI currently and this works. It is quite useful for clarity when visible lines are overlapping in a view.
Creo PDF from dwg as seen in reader:
Same file after using ctrl+F5
Does this work with free version?
It has worked in every version of Adobe Reader and Acrobat I have ever used. The sequence is CTRL+5 .
