Community Tip - Did you get called away in the middle of writing a post? Don't worry you can find your unfinished post later in the Drafts section of your profile page. X
Reply to ask for help or share what you have learned.
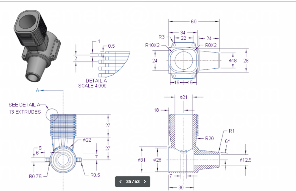
Hello, I'm trying to understand where these dimensions circled in red come from? I'm trying to correlate it to the drawing provided but I am not seeing it..
This is from Task 3 in creating the engine_block part. Thank you
Hi,
The feature you want to create there is a Blend feature. Those dimensions are for each of the 3 sections that comprise the blend.
So, for example, the bottom section for the blend would have a width of 18.75 at the top and a width of 22 at the bottom. The values of 13 and 12.25 are the height of the section dimensioned from datum plane CTR.
Then sections 2 and 3 of the blend feature are the same size, which is why you have duplicate dimensions in the image. Section 2 should be created 27 up from Section 1, and Section 3 should be crated 27 up from Section 2.
Regards,
Matt
Thank you Matt. So is there some math I have to do to get those dimensions of the sections 1,2 and 3 by looking at the drawing attached? Or were those dimensions only provided in Task 3?
Hmm, I see what you're saying. In the drawing it looks like all dims are missing for the first section. These would be the 13, 12.25, 18.75, and 22 dims. The dims for Sections 2 and 3 are visible in the drawing (24, 28, 16, and 15), as well as the two 27 height dims, though it's kind of hard to understand them. This is frankly why we ended up creating this practice course - to lead you through each step of the creation of the models.
Regards,
Matt
I see. Thank you for clarifying!
I am working on objective 6 (model engine block). I have created 3 sketches as instructed but cannot generate the blend. Please let me know specific steps for creating a blend from 3 sketches. Thanks
Hi There,
So, based on what you're saying, you've chosen to create the 3 sketches first, which means you've probably created 2 datum planes offset from datum plane TOP a distance of 27. Then, on top of datum plane TOP and the 2new offset datum planes you've created your 3 sketches, like this:
If you've gotten this far, then this is the hardest part. Since you went with creating the sketches first, you'll start the Blend tool from the Shapes group in the ribbon and choose the Selected sections option (the other option is to select Sketched sections and create the sections embedded as part of the Blend feature):
Now, select the first sketch that you created on datum plane TOP.
Then click Add from the Section tab in the dashboard and select the next sketch up.
You should see this:
Click Add again and now select the top sketch:
You will want to select the Options tab in the Blend dashboard and edit the connection type from Smooth to Straight (I've already done this in my images above).
If you're NOT seeing the geometry, then it's probably because the system is not able align blend vertices from one sketch to the next. In the image above the blend vertex on the top sketch is depicted by the back, left white dot from which the magenta arrow populates. If the blend vertices are not aligned from section to section you'll get a twisting action, like this (for example):
Blends are covered in Section 2 of the course Fundamentals of Solid Modeling 2 so if you're struggling here I suggest you revisit that content.
Regards,
Matt
