Community Tip - If community subscription notifications are filling up your inbox you can set up a daily digest and get all your notifications in a single email. X
I am using Creo Simulate Release 6.0 and Datecode6.0.4.0
Thank you for your help.
Please advise how to set boundary conditions for creo simulate.
Is it possible to input boundary conditions such as temperature and pressure by mapping from other analysis results?
We are using another company's thermal fluid analysis software, and would like to reflect the results obtained from fluid analysis in stress calculations.
For example, structural analysis takes into consideration the pressure distribution inside a storage tank.
Aside from inputting the results of another company's thermal fluid analysis software, is it possible to set boundary conditions that take into account arbitrary distributions?
Translated by the Community Moderation using Google Translate
-----------------------------------------------------------------------------------------------
I am using Creo Simulate Release 6.0 and Datecode6.0.4.0
お世話になります。
creo simulateの境界条件設定方法についてご助言ください。
温度や圧力などの境界条件を他の解析結果などからマッピング入力する事は可能でしょうか?
他社さんの熱流体解析ソフトを運用しており、流体解析で得られた結果を応力計算に反映したいと考えています。
例えば、貯蔵タンク内の圧力分布を加味した構造解析です。
他社さんの熱流体解析ソフトの結果を入力するかは別として、任意の分布を加味した境界条件の設定は可能でしょうか?
Yes! High Difficulty.
Example pressure map from ACUSOLVE CFD
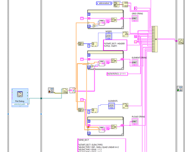
I wrote some code to parse and translate Nastran format CFD pressure to PTC Neutral file format.
Nastran/Optistruct *.FEM output pressure map.
GRID 1 22.25488 -1.259642.0589 3
GRID 2 22.25424 -1.259922.05093 3
GRID 3 22.25336 -1.256522.0569 3
.....
CTRIA3 1 2 5 6 3 0.0
CTRIA3 2 2 5 3 4 0.0
CTRIA3 3 2 5 4 2 0.0
.....
PLOAD4 3 28065-101.446
PLOAD4 3 28062-83.7685
PLOAD4 3 28061-96.1038
CONVERT TO CREO *.FNF
#PTC_FEM_NEUT 3
#LabView Nastran Converter
%START_SECT : HEADER
%TITLE : PART1
%STATISTICS : 2 1 1 1 18834 36161
%END_SECT
%START_SECT : ELEM_TYPES
%ELEM_TYPE 1 DEF : SHELL QUAD LINEAR 4 4 2
%ELEM_TYPE 1 EDGE : 1 1 2
%ELEM_TYPE 1 EDGE : 2 2 3
%ELEM_TYPE 1 EDGE : 3 3 4
%ELEM_TYPE 1 EDGE : 4 4 1
%ELEM_TYPE 1 FACE : 1 1 2 3 4
%ELEM_TYPE 1 FACE : 2 1 4 3 2
%ELEM_TYPE 2 DEF : SHELL TRIANGLE LINEAR 3 3 2
%ELEM_TYPE 2 EDGE : 1 1 2
%ELEM_TYPE 2 EDGE : 2 2 3
%ELEM_TYPE 2 EDGE : 3 3 1
%ELEM_TYPE 2 FACE : 1 1 2 3
%ELEM_TYPE 2 FACE : 2 1 3 2
%END_SECT
%START_SECT : MESH
%NODE 1 DEF : 2.254880 -1.259640 2.058900
%NODE 2 DEF : 2.254240 -1.259920 2.050930
.....
%NODE 18834 DEF : 2.014820 -0.922110 1.766480
%ELEM 1 DEF : 2 * * 5 6 3
%ELEM 2 DEF : 2 * * 5 3 4
......
%ELEM 36161 DEF : 2 * * 16769 17393 18575
%END_SECT
%START_SECT : LOADS
%LOAD_TYPE 1 DEF : COEFF NODE SCALAR
%CON_CASE 1 DEF : Analysis1
%LOAD 1 DEF : 1 1
%LOAD 1 VAL : 14574 -101.4
%LOAD 1 VAL : 14312 -83.8
%LOAD 1 VAL : 5 574.0
%END_SECT
%START_SECT : ANALYSIS
%SOLUTION 1 DEF : STRUCTURAL
%SOLUTION 1 CON_CASES : 1
%END_SECT
%END
External thermal distributions also in similar way.
Easier to do thermal temperature distribution analyzed in Creo thermal then transfer to Creo structure. (like for CTLE stress analysis)
Dear @SweetPeasHub , thanks for this answer. Is it possible to apply what you stated for "Creo Thermal > Creo Structure"
also to Creo Flow Analysis?
My idea is to perform an external flow analysis, computing the pressure map and then use it as input load for a linear structural analysis (e.g. a race car wing). Is this possible without using the FNF file and custom coding that you mentioned with Nastran CFD? Regards.
I do not have access / never used Creo Flow, but I am good at search terms to find the hidden gems.
It appears Creo flow can automatically create the FNF file, no coding needed.
Perform a Thermo-Mechanical with Flow Analysis package in Creo Parametric
Creating FNF File For Structural Simulation
Thanks a lot! I'll try this in the next days. Best regards
