Community Tip - You can Bookmark boards, posts or articles that you'd like to access again easily! X
Hello Guys!
I want to analyse my circuit, using laplace transformation.
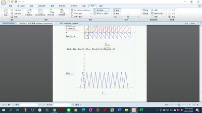
Step 1) First I have to generate a triangle waveform.
I have all informations given like peak-value, duty cycles, frequency, and so on.
I could obtain a triangle waveform by defining sections with the if-equation, according to the post from Werner:
https://community.ptc.com/t5/PTC-Mathcad/Plots-for-Conditional-Function/td-p/124048
My first idea was to multiply a sawtooth function with a rect function, but nevermind. I keep the solution from Werner I guess if the following Step 2) will work...
Another approach would be a fourier row to obtain the triangle shape. Maybe you have some older work / examples here for me?
Step 2-4) I want to make a Laplace Transformation from the triangle waveform, means: i(t) -> I(s)
--> is it posible with my function from Step 1) to do a laplace transformation, or do I have to go the approach with fourier rows?
(Step 3) Vout(s)=I(s)*G(s), with G(s) = Transfer-function of a circuit
(Step 4) Inverse Laplace Transformation Vout(s) -> vout(t) and plot
I am working with Prime 3.0
Best Regards
Solved! Go to Solution.
hi
I tried this.
Please (please please) attach your Prime worksheet. And state your problem (if any)..
Success!
Luc
