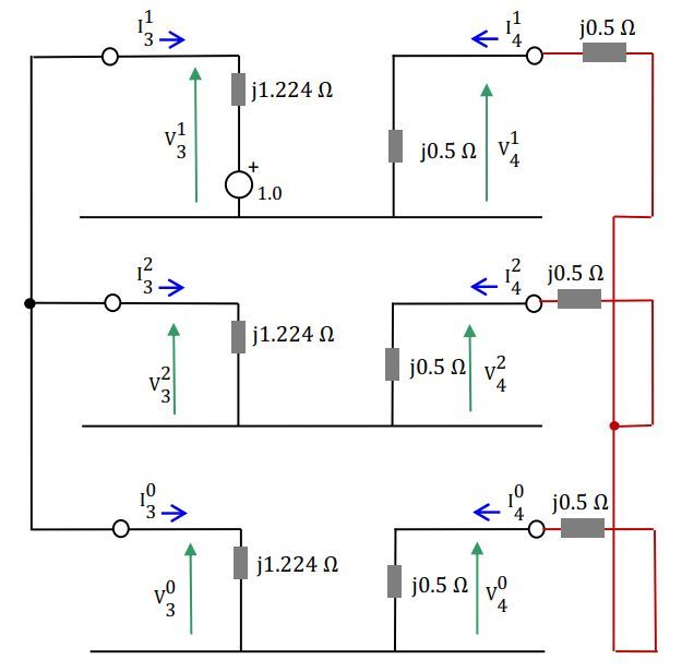
Engineer here, I need help understanding the limits of my approach. I have a fairly simple electrical circuit, which I can solve very easily by hand - there is only one voltage source which is in series with 3 impedances, and then two external impedance branches.
BUT, I want to simply write the various equations and solve them in an AX=b approach. With the specific impedance values you see above, this approach fails. A is singular, and using lsolve(A,b) in Mathcad reports, "the calculation is not converging". If I change the bottom left impedance from j1.224 to j1.2 and change the one directly above it from j1.224 to j1.5 I get a solution. But, the lsolve solution differs from inv(A) times b solution and both are wrong. The current leaving the + terminal of the source will be -j0.30 A by my hand calculation.
I've attached a pdf explaining my circuit and a Prime 9.0 file with my simple calculations (I can provide an 8.0 if needed).
I'm sure it just hinges on my ignorance of the limitation of my Ax=b approach, I'm just not experienced enough to know the limitations. That is what I want to improve.
thanks,
russ
Solved! Go to Solution.
I am bit confused about your sequence network.. You are analysing a Ph-E fault. From what see you have a two ended network but only the source on the LHS? There is no positive sequence source on the RHS? If there is no positive sequence source on the RHS then the most you will get is zero sequence from the RHS (depending on the earthing arrangements)
If there is no V4 there is no I1 and I2 from that side and the positive and negative sequence impedances from the RHS are not in circuit.
Let me know if i have understood correctly.
I have a SEL tutorial file I did (attached) see if of it is of any assistance.
It isn't a shunt fault, it is a series open (A-phase open). I booted my coefficient matrix, ttokoro solved it.
