Community Tip - Stay updated on what is happening on the PTC Community by subscribing to PTC Community Announcements. X
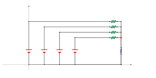
This month’s challenge is electrical engineering related, but with multiple voltage potential sources in addition to resistors. See the image below.
Scenario 1. We have a circuit with a motor (modeled as a 100 Ohm resistor), a 6V voltage source, and a 100 Ohm resistor. Calculate the current in the motor and the resistor.
Scenario 2. We add another loop, with an additional 8V voltage source and a 120 Ohm resistor. Calculate the current in the motor and the two resistors.
Scenario 3. We add another loop, with an additional 10V voltage source and a 140 Ohm resistor. Calculate the current in the motor and the three resistors.
Scenario 4. We add another loop, with an additional 12V voltage source and a 160 Ohm resistor. Calculate the current in the motor and the four resistors.
Note that these situations cannot be reduced to a combination of series or parallel resistors. There is a principle called Superposition you can apply instead.
I’m looking forward to seeing what Mathcad techniques can be applied to this problem!
Please refer to the PTC Mathcad Community Challenge Index and Guidelines for a list of rules for these challenges, as well as a listing of the previous challenges.
Note that these situations cannot be reduced to a combination of series or parallel resistors.
Maybe I misunderstood the goal, but why shouldn't we be able to use basic Kirchhoff?
Here is a Prime function to work with resistance- and voltage-vectors of arbitrary length
Millman's theorem for node voltage analysis. Prime 8.
Hello everyone!
In scenario 1 I applied the voltage divider formula, in the other three the Millman theorem.
Work in progress!!!
Hello everyone!
I present a method of analysis of linear electric networks, of great generality. (File .xmcd attached).
Network analysis based on cut sets:
It apply to resistive networks only.
In the worksheet I attached earlier, function ∅1 was missing. Now I have added ∅1 to the new worksheet attached here below:
March has... five working days remaining, so same applies for this challenge!
We've published the solutions blog covering your responses here! (And badges have been distributed.)
https://www.mathcad.com/en/blogs/community-challenge-multiple-voltage-sources
Look forward to the next challenge. 🙂
 
					
				
				
			
		
