Solved
ODE solve electronics time function with condition
- October 7, 2025
- 1 reply
- 986 views
Hello,
I'm using Mathcad Prime 11.
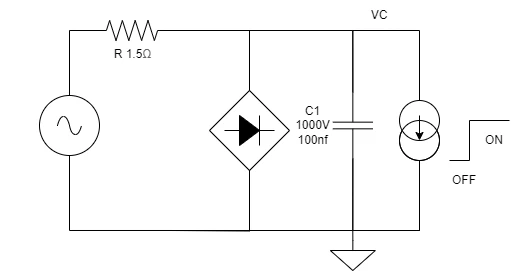
I'm trying to solve a differential equation with conditional logic (if) due to the presence of a diode in the circuit.

The input values are defined, and in the worksheet, some graphs are already plotted (e.g., I_TEST, VL1N).

I'm using Odesolve to compute the solution.

Is this the correct approach?
It doesn't work with the following error "Plot failed"
Cou you help me?
Thank you very much






