Solved
Bidirectional Position Tolerance
- March 6, 2025
- 1 reply
- 1536 views
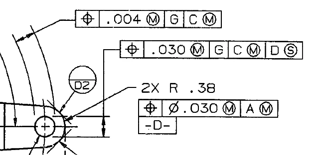
Hello,
I am working in Creo 9 and wondering if there is an option for bidirectional geometric tolerancing. I have included a snip of an example I am working on with polar bidirectional position tolerancing. I've tried calling the geo tol in an added dimension, but that doesn't seem to be allowed. If there is not a formal option, workaround recommendations would be useful.
Thanks,

