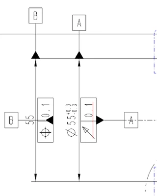
Drawing datum displying twice on dimension with GTOL
I am creating a drawing in Creo Parametric 11.01.4.0. I have a diameter that I have a runout GTOL on that is also a datum. When I place the datum on the diameter witness line it is also automatically attaching it to the GTOL so that the datum is displayed twice. If I remove or move either of the shown datums they both move or are removed. The dimension shown on the drawing was originally a displayed dimension driven by the 3D. I tried recreating the dimension in 2D to see if that fixed it, but it too is having the error occur.


