Question
How to add a circular shape to the side of a cylinder
- November 5, 2017
- 2 replies
- 2469 views
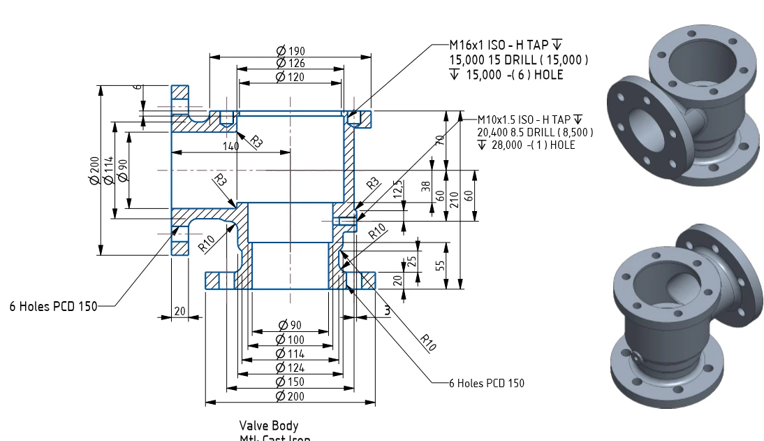
I was wondering if someone can help. I'm trying to build this object for uni and I do not know where to start!
How do you get a circular shape on the side of a cylinder? I've used the revolve tool to build the cylinder but have no idea how to put attachments on it.
Ive attached the drawing we have to go by...
Thanks in advance for any help!

