Skip to main content
3-Newcomer
April 23, 2026
Question

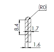
Unable to generate a flushed flange hem around the boundary of a sheet metal part.

  • April 23, 2026
  • 0 replies
  • 34 views

I am trying to create a flushed flange which goes around the boundary of a sheet metal part. When I try doing this with the flushed flange feature I run into a feature failed to regenerate error. I have tried the one by one standard chain, rule based partial loop/complete loop chains but nothing seems to work. Attached is the part I am trying to work on with the 8.4mm flushed flange and the corner cut at the edge Q.