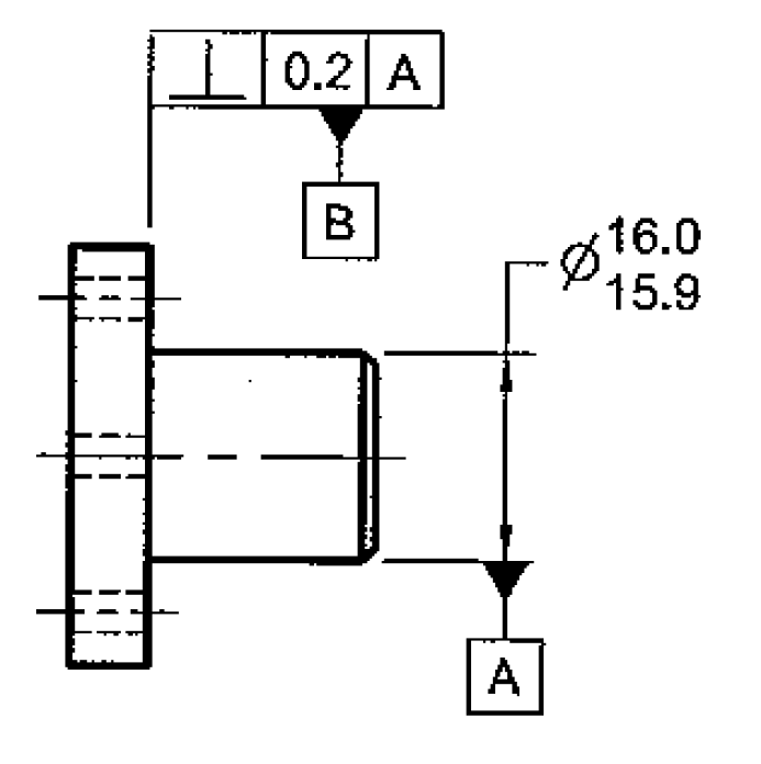
Question
gtol placement
Hi,
I'm looking for a way to place gtols in like the one in the picture. Have been looking for this a long time, but never found how to do it.
Picture is a bit fuzzy, but you get the gist of it, right? I want to link the gtol directly to the reference.


