Solved
Gtol with parameter name?
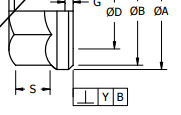
Other than creating a custom symbol does anyone have any ideas how to create the perpendicularity symbol as shown below?

Other than creating a custom symbol does anyone have any ideas how to create the perpendicularity symbol as shown below?

While typing text for a new note press Ctrl+A, the cursor should change slightly and then press L key. To get the cursor and the keyboard back to normal press Ctrl+B.
Enter your E-mail address. We'll send you an e-mail with instructions to reset your password.