Question
TARGET POINT IN UNIQUE BALOON
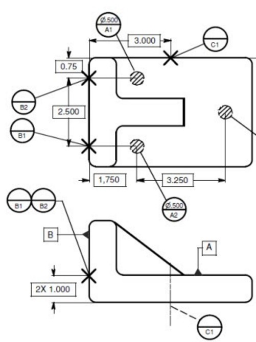
Using CREO 2.
If I have two target points, is it possible to merge the two baloons
in unique symbol with only one arrow ? (B1 and B2 on bottom view in picture)
Thanks
Pier

Using CREO 2.
If I have two target points, is it possible to merge the two baloons
in unique symbol with only one arrow ? (B1 and B2 on bottom view in picture)
Thanks
Pier

Enter your E-mail address. We'll send you an e-mail with instructions to reset your password.