17-Peridot
February 16, 2023
Question
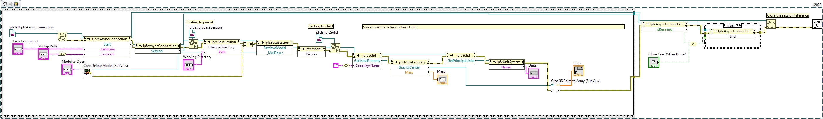
LabView ActiveX to Visual Basic API for PTC CREO PARAMETRIC
- February 16, 2023
- 1 reply
- 1810 views
This is a basic example of how to use the vbapi toolkit for PTC CREO PARAMETRIC (version 9.0.2.0). This also has an example of how LabView does the equivalent of a VB.NET " typecast " to parent and child objects in ActiveX using Variant To Data.
Detailed documentation of the interface is installed with the Creo vba tookit at C:\Program Files\PTC\Creo X.X.X.X\Common Files\vbapi



