Question
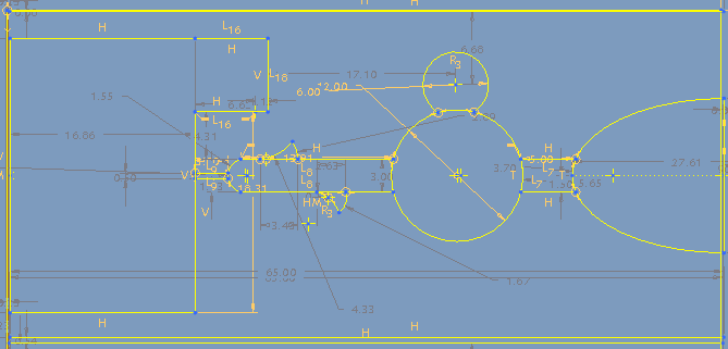
Make a jig head mold
Hello
I have borrow a friends computer to make a jig mold..
He had not the time to help me, so i ask here.
I have no ideé how to cut the rest, I hope there is someone that can help me.
This thread is inactive and closed by the PTC Community Management Team. If you would like to provide a reply and re-open this thread, please notify the moderator and reference the thread. You may also use "Start a topic" button to ask a new question. Please be sure to include what version of the PTC product you are using so another community member knowledgeable about your version may be able to assist.

