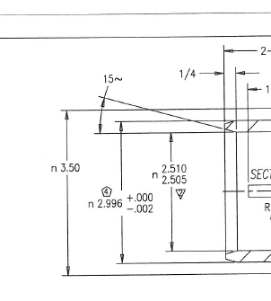
Creoview 2 or 3 changes degree and diameter symbols to tilde and "n"
On several of our workstations, whenever a dxf/dwg thumbnail drawing is created and viewed in Windchill 10.1, using Creoview Lite 2 or 3 (tried all revisions) the degree and diameter symbols on the screen (and in print) turn into the wrong font mapped symbol and become a tilde and a lowercase "n" -- this only happens with specific machines. Windows 7, 64bit. Others display the same symbols on the same drawings just fine. Different video cards in these PCs/laptops. Tried latest video drivers. Any ideas would be greatly appreciated. See graphic. 

