Skip to main content
6-Contributor
January 21, 2025
Question

Creo: Practice Creating an Air Blower 1

  • January 21, 2025
  • 2 replies
  • 1601 views

Reply to ask for help or share what you have learned.

2 replies

1-Visitor
February 7, 2025

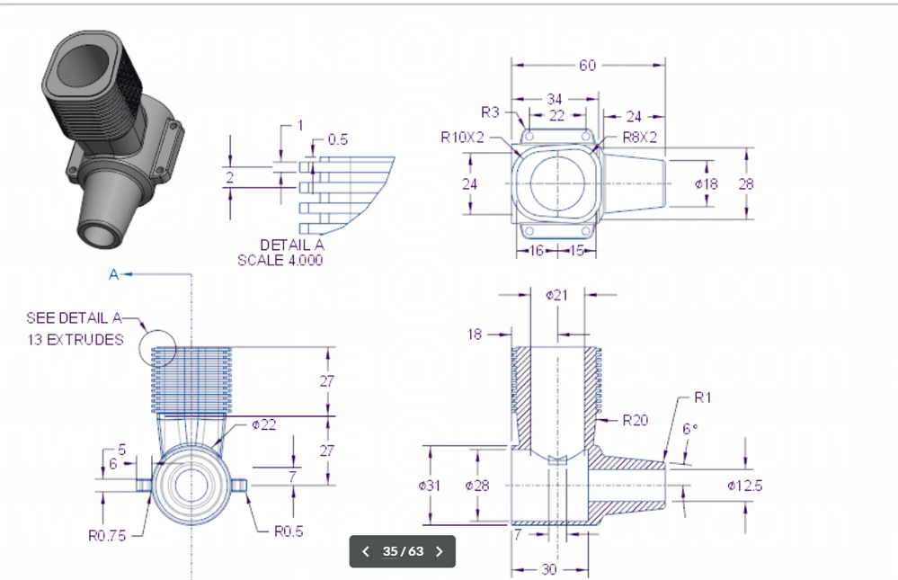
Hello, I'm trying to understand where these dimensions circled in red come from? I'm trying to correlate it to the drawing provided but I am not seeing it..

This is from Task 3 in creating the engine_block part. Thank you

14-Alexandrite
February 7, 2025

Hi,

The feature you want to create there is a Blend feature. Those dimensions are for each of the 3 sections that comprise the blend.

So, for example, the bottom section for the blend would have a width of 18.75 at the top and a width of 22 at the bottom. The values of 13 and 12.25 are the height of the section dimensioned from datum plane CTR.

 

Then sections 2 and 3 of the blend feature are the same size, which is why you have duplicate dimensions in the image. Section 2 should be created 27 up from Section 1, and Section 3 should be crated 27 up from Section 2.

 

Regards,

 

Matt

1-Visitor
February 7, 2025

Thank you Matt. So is there some math I have to do to get those dimensions of the sections 1,2 and 3 by looking at the drawing attached? Or were those dimensions only provided in Task 3?Screenshot 2025-02-07 110349.png

1-Visitor
May 21, 2025

I am working on objective 6 (model engine block).  I have created 3 sketches as instructed but cannot generate the blend.  Please let me know specific steps for creating a blend from 3 sketches.  Thanks

14-Alexandrite
May 21, 2025

Hi There,

 

So, based on what you're saying, you've chosen to create the 3 sketches first, which means you've probably created 2 datum planes offset from datum plane TOP a distance of 27. Then, on top of datum plane TOP and the 2new offset datum planes you've created your 3 sketches, like this:

sketch1.png

 

sketch2.png

If you've gotten this far, then this is the hardest part. Since you went with creating the sketches first, you'll start the Blend tool from the Shapes group in the ribbon and choose the Selected sections option (the other option is to select Sketched sections and create the sections embedded as part of the Blend feature):

selected-section.png

Now, select the first sketch that you created on datum plane TOP.

Then click Add from the Section tab in the dashboard and select the next sketch up.

You should see this:

selected-section2.png

Click Add again and now select the top sketch:

sketch3.png

 

You will want to select the Options tab in the Blend dashboard and edit the connection type from Smooth to Straight (I've already done this in my images above).

If you're NOT seeing the geometry, then it's probably because the system is not able align blend vertices from one sketch to the next. In the image above the blend vertex on the top sketch is depicted by the back, left white dot from which the magenta arrow populates. If the blend vertices are not aligned from section to section you'll get a twisting action, like this (for example):

selected-section3.png

 

Blends are covered in Section 2 of the course Fundamentals of Solid Modeling 2 so if you're struggling here I suggest you revisit that content.

 

Regards,

 

Matt