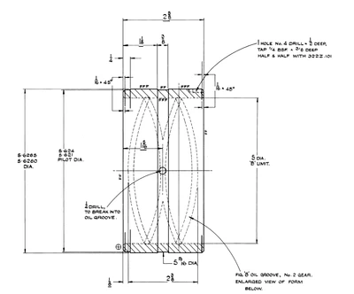
FIGURE 8 OIL GROOVE

Hi all, I have uploaded the part if anyone wants to have a look.
I was wondering if anyone could help or give some ideas on this. The model looks like it is almost correct. I have looked online and it appears there's many discussions about this.
Maybe it is just the pitch; maybe the start point is incorrect; maybe an angled plane needs to be added?
Apologies if this isn't a lot of information.
Thank you for any input you can give.




