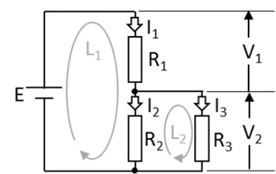
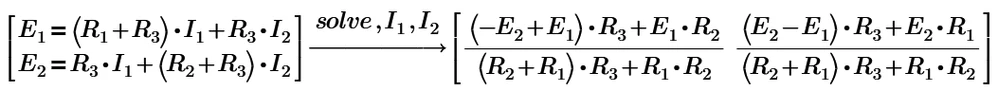
Solved
symbolically solve for a variable
Need to algebraically solve for a variable in prime
In legacy MCAD it was symbolics,/ variable / solve where you highlight to desired variable
In prime I see Math / Symbolics / Solve
But this does not work as legacy MCAD
Is this possible in PRIME



