Modelling cam tracks (CREO 6.0)
Hello all, I was wondering if anyone could give any advice on how to model a cam track from an old drawing.
I have one idea so far; to draw the profile of the track on a plane and then project it on the outer face of the cam. Then cutting it with a sweep. Unsure if this will work for the whole track, definitely a misunderstanding on my part somewhere. If anyone has any tips, advice or just a better way to do it, I'm all ears.

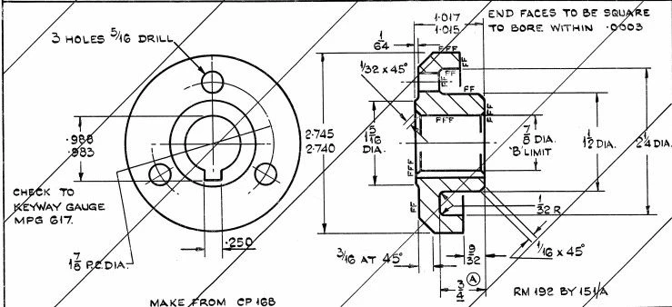
This is what I have so far.
I'm also not entirely sure what "LEAD A" is or how the angles (B and C) relate to the shape in 3D. Perhaps it needs to be calculated to an arc?

I have been using values from the first line,

This is what it should look like in the end.
Thank you for any time you may put in to this!


